本システムでは、JavaScriptを利用しています。JavaScriptを有効に設定してからご利用ください。
本文へスキップします。
本文へ
【全】スマホ採用ボタン
採用情報
ホーム
彌満和製作所
YAMAWAについて
経営理念
会社概要
100周年記念
取り組み
グループ会社
彌満和製作所 米沢工場
彌満和製作所 福島工場
彌満和製作所 会津工場
やまわエンジニアリングサービス
やまわインターナショナル
海外代理店
ヨーロッパ
アジア・オセアニア
中国
北米
SOUNDS GOOD
SECURITY ACTION
商品情報・検索
Z-PROブランド
タップ
タップ検索
ダイス
ダイス検索
スレッドミル・ヘリカルカッタ
スレッドミル・ヘリカルカッタ検索
センタ穴ドリル
センタ穴ドリル検索
センタ工具
センタ工具検索
関連商品
関連商品検索
精密タッピングマシン
動画ライブラリ
ダウンロード
総合カタログ・リーフレット一覧
下穴径・素材径表
NCプログラム生成アプリ
マンガでわかる!やまわの工具
安全データシート(SDS)
ANSI規格(UN/UNJ)タップ選定ソフト
JIMTOF2022 技術資料
online EXPOねじてん
サポート・お問い合わせ
困ったときの知恵袋
タッピング相談室
ミーティング希望
各サポートセンター
タッピングスクール
NEWS
お知らせ
サイトポリシー
ログイン画面
登録情報変更
退会手続き
戦略物資等該非判定書 発行申請フォーム
サイトマップ
彌満和グループ 採用サイト
YAMAWAを知る
仕事を知る
人を知る
Y.Kさん
Y.Oさん
R.Hさん
Y.Iさん
M.Yさん
N.Tさん
M.Yさん
F.Rさん
A.Wさん
働く環境を知る
教育・研修制度
社内ツアー
こんなところにYAMAWA
募集要項
エントリー
お知らせ
YAMAWA MFG. Co., Ltd.
About Us
Company Philosophy
Profile
100th-Anniversary
Environmental Activities
Group
YAMAWA MFG. Co., Ltd. [ Yonezawa plant ]
YAMAWA MFG. Co., Ltd. [ Fukushima plant ]
YAMAWA MFG. Co., Ltd. [ Aizu plant ]
YAMAWA Engineering Service Co., Ltd.
YAMAWA International Co., Ltd.
Global Distributors
Europe
Asia
China
North America
SOUNDS GOOD
Product Information & Search
Taps
Product Search for Taps
Dies
Product Search for Dies
Thread mills
Product Search for Thread mills
Center Drills
Product Search for Center drills
Centering Tools
Product Search for Centering tools
Related Products
Product Search for Related products
microtap
Movies
Downloads
Product Catalog
Bored Hole size / Bar diameter
NC Program Download
Understanding YAMAWA products by Manga
Safety Data Sheet (SDS)
online EXPO NEJITEN
Support & Inquiry
Bag Full of Wisdom when you are in trouble
Customer Consultation
YAMAWA Value Analysis Proposal
Information
お知らせ
Site Policy
Mypage
Profile
Unsubscribe
sitemap
【全】代理店
YAMAWA Global Distributors Network
海外代理店
ヨーロッパエリア
アジアエリア
北米エリア
YAMAWA Global Distributors Network
Global Site
【全】ログインボタン
ログイン・マイページ
【全】サイトマップ
サイトマップ
【全】ヘッダ検索
サイト内検索
検索
【全】ヘッダ採用ボタン
採用情報
H1
JO-CSQM 20X90゚
彌満和製作所
>
商品情報・検索
>
センタ工具
>
センタ工具検索
>
JO-CSQM 20X90゚
【日】センタ工具詳細
ジョイントツール ボール盤用90°カウンタシンク
タイプ図
商品コード:JCS020QM9
メーカー希望小売価格:
\4,280
※予告なく価格を変更する場合があります。
在庫
○ 流通品
カタログ
PDF
2D CAD
2D:DXF
|
2D:PDF
3D CAD
3D:STEP
|
3D:PDF
CADデータのダウンロードにはログインが必要となります
製品のスペック
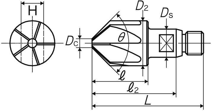
シャンク径(Ds)
12
mm
ドリル径・先端径(Dc)
4
mm
全長(L)
43.5
mm
ℓ
24
mm
ℓ2
32.5
mm
H
10
mm
角度(θ)
90°
溝数
5
材質
HSS
重量/本(ケース含む)
60 g
被加工材別推奨加工条件
被加工材
回転速度
n
(min-1)
送り速度
νf
(mm/min)
低炭素鋼
190
25
中炭素鋼
190
25
高炭素鋼
190
25
合金鋼
140
20
調質鋼(25〜35HRC)
調質鋼(35〜45HRC)
調質鋼(45〜55HRC)
調質鋼(55〜63HRC)
ステンレス鋼
100
15
工具鋼
140
20
鋳鋼
鋳鉄
270
40
強靭鋳鉄
銅
黄銅
黄銅鋳物
青銅
アルミ圧延材
アルミ合金鋳物
380
55
マグネシウム合金鋳物
亜鉛合金鋳物
チタン合金
ニッケル基合金
熱硬化性プラスチック
熱可塑性プラスチック
戻る
【全】FIXボタ
困ったときの知恵袋
カタログ一覧
ページトップへ